前 言
本文件按照GB/T1.1—2020《标准化工作导则 第1部分:标准化文件的结构和起草规则》的规定起草。
本文件代替DA/T 2—1992《科学技术研究课题档案管理规范》,与 DA/T 2—1992相比,除结构调整和编辑性改动外,主要技术变化如下:
a) 增加了科研项目、科研电子文件、科研电子档案、科学数据、科研项目管理系统、科研电子档案管理信息系统术语和定义(见3.2、3.5、3.6、3.7、3.8、3.9);
b) 增加了科研档案管理原则和部门职责内容(见第4章、第5章);
c) 更改了科研文件材料形成、整理与归档以及科研档案保管、利用、鉴定、处置的要求(见第6章、 第7章、第9章、第11章,1992 年版的第4章、第5章);
d) 增加了科研档案利用与共享的具体要求、方式和方法(见第10章);
e) 增加了科研档案验收(审查)或绩效评价的形式与内容(见第12章);
f) 增加了科研电子文件归档与科研电子档案管理(见第13章);
g) 更改了科研文件材料归档范围(见附录 A,1992 年版的附录 A);
h) 增加了档案整理与编目表格、利用效果登记表以及科研档案验收意见表式样表格(见附录B)。请注意本文件的某些内容可能涉及专利。本文件的发布机构不承担识别专利的责任。
本文件由国家档案局提出并归口。
本文件起草单位:国家档案局经济科技档案业务指导司、科学技术部资源配置与管理司、中国科学院档案馆、中国石油天然气集团有限公司、中国电力建设集团有限公司、航天档案馆、北京航空航天大学档案馆。
本文件主要起草人:李忱、蔡盈芳、潘亚男、崔宗胜、王洋、王强、毕娟、肖妍、袁瑞、支媛媛、苑帅。
本文件及其所代替文件的历次版本发布情况为:
——1992年首次发布为 DA/T 2—1992;
——本次为第一次修订。
正 文
1 范围
本文件规定了科学技术研究项目档案(以下简称科研档案)管理原则和管理职责,科学技术研究项目文件材料(以下简称科研文件材料)收集、整理、归档以及科研档案保管、统计、利用、鉴定、处置、验收 (审查)等的要求和方法。
本文件适用于机关、团体、企事业单位及其他社会组织(以下简称“单位”)开展科研档案管理活动。
2 规范性引用文件
下列文件中的内容通过文中的规范性引用而构成本文件必不可少的条款。其中,注日期的引用文件,仅该日期对应的版本适用于本文件;不注日期的引用文件,其最新版本(包括所有的修改单)适用于本文件。
GB/T 11821 照片档案管理规范
GB/T11822 科学技术档案案卷构成的一般要求
GB/T 18894 电子文件归档与电子档案管理规范
GB/T 29194 电子文件管理系统通用功能要求
GB/T 39784 电子档案管理系统通用功能要求
DA/T 15 磁性载体档案管理与保护规范
DA/T 31 纸质档案数字化规范
DA/T 38 档案级可录类光盘CD-R、DVD-R、DVD+R 技术要求和应用规范
DA/T 40 印章档案整理规则
DA/T 46 文书类电子文件元数据方案
DA/T 62 录音录像档案数字化规范
DA/T 69 纸质归档文件装订规范
DA/T 70 文书类电子档案检测一般要求
DA/T 78 录音录像档案管理规范
3 术语和定义
下列术语和定义适用于本文件。
3.1 科研课题 scientific research topic
具有相对独立目标和内容的具体研究对象,是开展科学技术研究的单元。
3.2 科研项目 scientific research project
围绕明确的研究目标,按科学规范开展的一系列创新性、开发性的探索活动。
注:科研项目包括纵向科研项目、横向合作开发项目和自筹科研项目等。一个科研项目可由若干个科研子项目组成或由一个或几个科研课题组成。
3.3 科研文件材料 scientific research material
在科研项目的立项论证、研究实施及过程管理、项目验收或绩效评价、成果管理等过程中形成的文字、图表、数据、图像、音频、视频等各种形式和载体的信息记录以及标本、样本等实物。
3.4 科研档案 scientific research records;scientific research archives
具有凭证、查考等价值并归档保存的科研文件材料。
3.5 科研电子文件 scientific research electronic document;scientific research electronic record
在开展科研活动及科研项目管理过程中,通过计算机等电子设备形成、办理、传输和存储的数字格 式的各种信息记录。
[来源:DA/T 58—2014,2.1,有修改]
3.6 科研电子档案 scientific research electronie archives;scientific research archival electronic records
具有凭证、查考和保存价值并归档保存的科研电子文件。
[来源:DA/T 58—2014,2.2,有修改]
3.7 科学数据 scientific data
在自然科学、社会科学、工程技术科学等领域,通过基础研究、应用研究、试验开发等产生的数据,以及通过观测监测、考察调查、检验检测等方式取得并用于科学研究活动的原始数据及其衍生数据。
3.8 科研项目管理系统 scientific research project management system
专门用于科研项目研究和管理的计算机软件、软件系统或者其功能模块。
3.9 科研电子档案管理信息系统 electronie scientifie research archive management information system
用于科研电子文件收集、整理、归档以及科研电子档案保管、统计、利用、鉴定、处置等业务的电子档 案管理信息系统或软件功能模块。
4 管理原则和要求
4.1 科研档案实行集中统一管理,单位应建立健全科研档案管理规章制度,在人员、库房、设备、经费等 方面对科研档案工作给予保障,确保科研档案完整、准确、系统、安全。
4.2 科研档案工作是科研管理的重要组成部分,单位应把科研档案工作要求纳入科研管理制度与工作流程,与科研项目工作同部署、同实施、同检查,将科研档案工作列入有关部门和人员的职责并予以考核。
4.3 取得负结果或因故终止、撤销的重要科研项目形成的文件材料也应归档。
4.4 单位应将科研电子文件归档和科研电子档案管理工作纳入本单位信息化和档案信息化建设规划,实施全过程管理,确保科研电子档案的真实、完整、可用和安全。
5 管理职责
5.1 科研项目管理部门职责
负责在科研项目组织实施过程中加强科研档案工作的统筹协调,会同档案部门对科研档案工作进行监督和指导。
5.2 科研项目承担部门(人员)职责
5.2.1 科研项目牵头单位对所承担科研项目的档案工作负总责,对科研项目参与单位提出科研档案管理要求,明确档案归属与流向,配合做好科研档案的验收(审查)或绩效评价工作。
5.2.2 科研项目参与单位应做好所参与科研项目的文件材料收集、整理、归档及档案保管、利用、鉴定、处置等工作,同时按要求向牵头单位移交档案。
5.2.3 科研项目负责人对归档科研文件材料的完整性、准确性、真实性、系统性负责,指定专人负责科研文件材料的收集、整理,确保科研文件材料及时归档。
5.2.4 科研项目参加人员负责积累科研项目实施过程中的科研文件材料,对归档科研文件材料的齐全完整、真实准确负责,并及时将办理完毕、有保存价值的科研文件材料移交本项目指定人员整理、归档。
5.3 档案部门职责
5.3.1 负责统筹规划本单位科研档案工作,监督指导本单位科研项目管理人员和科研人员做好科研文件材料的收集、整理、归档及所属单位科研档案工作。
5.3.2 负责制定科研档案管理规章制度。
5.3.3 负责科研档案的保管、利用、鉴定、处置等工作。
5.3.4 负责科研档案的验收(审查)工作,参与科研项目验收(审查)或绩效评价工作。
5.3.5 参与科研项目管理系统的规划、开发等工作,提出科研电子文件归档功能要求,负责科研电子档案管理信息系统的建设与应用培训。
5.4 信息技术部门职责
负责在科研项目管理系统规划、开发、运维等过程中落实科研电子文件归档要求;负责科研电子档案管理信息系统开发、运行维护,为科研电子文件归档和科研电子档案管理提供信息技术支持。
5.5 保密部门职责
负责监督涉密科研文件材料归档和科研档案的保密管理工作。
6 科研文件材料的形成和收集
6.1 形成
6.1.1 科研文件材料制成材料应采用耐久、可靠、满足长期保存需求的记录载体和记录方式。
6.1.2 科研文件材料应完整、真实、准确,归档纸质科研文件材料一般宜为原件,图样清晰,签章手续完备。因特殊情况无法取得原件的,可保存复印件,并在复印件首页注明原件去向信息(原件保存单位或原件档号等)、复印人签名和日期。复印人对复印件与原件的一致性负责。
6.2 收集
6.2.1 单位应根据科研任务内容和科研管理程序,结合科研项目特点,参考但不限于附录 A 所给出的归档范围,确定本单位科研文件材料归档范围。
6.2.2 科研项目在立项论证、研究实施及过程管理、项目验收或绩效评价、成果管理等过程中形成的,具有保存价值的各种形式和载体的科研文件材料(含科学数据)均应纳入归档范围。
6.2.3 科研文件材料形成者根据归档范围将应归档的文件材料及时交本项目负责人或指定人员。
6.3 保管期限的划分
科研文件材料归档时应根据科研项目的性质、规模、创新性等,以项目为单位划定保管期限。保管期限分为永久和定期,定期一般为30年、10年。
7 科研文件材料的整理
7.1 原则
7.1.1 科研文件材料整理按照 GB/T 11822 的要求执行。
7.1.2 科研文件材料的整理应区分不同载体,按照系统性、成套性原则,兼顾不同学科、专业科研文件材料的不同特征,遵循其自然形成规律,保持科研文件材料之间的有机联系,便于保管和利用。
7.2 分类
科研文件材料应以项目(课题)为单位进行分类, 一般采用“项目类型[-学科专业]-年度”“年度[-学 科专业]-项目类型”“[学科专业-]项目类型-年度”等方法进行分类([]里为可选项)。
a) 按项目类型分类。按项目资金来源或研究性质、目的和过程进行分类,如按项目资金来源可分为纵向科研项目、横向合作开发项目和自筹科研项目;按项目研究性质、目的和过程可分为基础研究项目、应用研究项目和开发研究项目。
b) 按学科专业分类。按项目所属的学科,如哲学、经济学、法学、教育学、文学、历史学、理学、工学、农学、医学、军事学、管理学、艺术、交叉学科等进行分类。
c) 按年度分类。一般按项目结题或结束年度分类。项目周期较长的,可按开始年度分类。科研项目与科研课题关系见图1和图2。


7.3 组件
7.3.1 件的构成
科研文件材料一般以每份文件为一件。正文、附件为一件;文件正本与定稿为一件;转发文与被转发文为一件;原件与复制件为一件;正本与翻译本为一件;中文本与外文本为一件;自评价报告、科技报 告、技术总结、实验记录本、图册等一册(本)为一件(作为文件附件时除外);简报、周报等材料一期为一件;会议纪要、会议记录一般一次会议为一件;来文与复文(请示与批复、报告与批示、函与复函等)一般独立成件,也可为一件;有文件处理单或发文稿纸的,文件处理单或发文稿纸与相关文件为一件。科学数据一般以一个研究对象、阶段、装置(设备)、记录人等形成的数据为一件。
7.3.2 件内文件排序
科研文件材料排序时,正文在前,附件在后;正本在前,定稿在后;转发文在前,被转发文在后;原件在前,复制件在后;不同文字的文本,无特殊规定的,汉文文本在前,少数民族文字文本在后;中文本在前,外文本在后;来文与复文作为一件时,复文在前,来文在后。有文件处理单或发文稿纸的,文件处理单在前,收文在后;正本在前,发文稿纸和定稿在后。
7.4 组卷
7.4.1 包含不同科研课题的科研项目,课题相对独立的,应按课题组卷。一个科研课题形成的科研文件材料结合科研阶段可组成一个或多个案卷。多子项目的项目级科研文件材料可单独组卷。
7.4.2 独立成册、成套的技术文件、设备材料等科研文件材料应保持其原貌,不应拆散重新组卷;通用图、标准图可放入相应科研文件材料中组卷或单独组卷。
7.4.3 长期、连续性的常规观测实验等原始记录、整理记录及综合分析报告、运行记录等可按时间顺序组卷。同一项目科学数据可组成一卷或多卷。
7.4.4 卷内文件结合问题、来源、时间进行排列。
7.4.5 同一科研课题(单一课题项目)案卷应按照立项论证、研究实施及过程管理、项目验收或绩效评价、成果管理阶段排列。同一项目案卷按照科研课题结题时间排序或课题顺序排列,其中项目级案卷应排在所有课题案卷前。
7.5 编号
7.5.1 档号编制
7.5.1.1 完成组卷的科研文件材料应编制档号,档号编制遵循唯一性、合理性、稳定性、扩充性、简单性、适用性原则。
7.5.1.2 档号编制规则为“[全宗号-]分类号-案卷号[-件号(卷内序号)]”([]里为可选项)。
7.5.1.3 档号按照以下要求编制。
a) 全宗号是档案馆给立档单位编制的代号,用4位数字或者字母与数字的结合标识;档案在立档单位保管阶段,可不编制全宗号。
b) 分类号应根据本单位科研档案分类方案给定,一般由项目类型代码、学科专业代码、年度组成, 也可增加保管期限、机构(问题)代码。项目类型代码和学科专业代码一般采用拼音首字母标识,如纵向科研项目代码可标识为“ZX”。年度以4位阿拉伯数字标注公元纪年,如“2022”。
c) 案卷号是案卷排列的顺序号,件号(卷内序号)是单件归档科研文件材料在案卷内的排列顺序号,案卷号和件号(卷内序号)用4位阿拉伯数字标识,不足4位的,前面用“0”补足,如“0026”。
d) 档号的结构可为:全宗号-档案门类代码·年度-保管期限-机构(问题)代码-案卷号[-件号],如“Z109-ZX·2022-Y-BGS-0001”。上下位代码之间用“-”连接,同一级代码之间用“·”隔开。
7.5.2 卷内文件页号编制
7.5.2.1 以件为单位编写页号,每件从“1”开始编号,各件之间不连续编号。
7.5.2.2 编写页号以有效内容的页面为一页。案卷封面、卷内目录、卷内备考表不编写页号。
7.5.2.3 装订成套图样或印刷成册文件,已有页号的,不必重新编写页号;已有页号且编号连续无误的单件装订文件可不再重新编写页号。
7.6 编目
7.6.1 案卷封面编制
案卷封面的编制要求如下。
——案卷题名:应简明、准确揭示卷内科研文件材料的内容。主要包括科研项目名称(代号)、科研课题名称、文件材料主要内容、文件类型名称等;外文材料应有翻译的中文题名。
——立卷单位:应填写负责组卷的部门或单位。
——起止日期:应填写卷内科研文件材料形成的最早和最晚时间。可采用国际标准日期表示法标注年月日,如20210218-20220218。
——保管期限:应根据科研项目划定的保管期限填写。
——密级:填写卷内科研文件材料的最高密级。
——档号:根据7.5.1 填写。
——案卷封面式样:应符合附录 B中 B.1 的规定。
7.6.2 卷内目录编制
卷内目录的编制要求如下。
——卷内目录:应排在卷内科研文件材料之前。
——序号:应依次标注卷内文件排列顺序。
——文件编号:应填写科研文件材料文号或型号或图号或代字、代码等。
——责任者:应填写科研文件材料的形成部门或个人。有多个责任者时,可选择两个主要责任者, 其余用“等”代替。
——文件题名:应填写科研文件材料的标题。没有题名或题名不完整的,应由立卷人根据科研文件 材料内容拟写题名,外加“[]”。
——日期:应填写科研文件材料的形成时间。可采用国际标准日期表示法标注年月日如“20220424”。
——页数:按件装订时应填写“页数”,即每件文件的页面总数。
——备注:可根据实际填写需注明的情况。
——档号:根据7.5.1 填写。
——卷内目录式样:应符合 B.2 的规定。
7.6.3 卷内备考表编制
卷内备考表的编制要求如下。
——卷内备考表应排在卷内全部文件材料之后。
——卷内备考表应标明卷内全部文件总件数、总页数,以及在组卷和案卷提供使用过程中需要说明的事项。
——立卷人:应由立卷责任者签名。
——立卷日期:应填写完成立卷的时间。
——检查人:应由案卷质量审核者签名。
——检查日期:应填写案卷质量审核的时间。
——互见号:应填写反映同一内容不同载体科研档案的档号,并注明其载体类型。
——卷内备考表式样:应符合 B.3 的规定。
7.6.4 案卷目录编制
案卷目录的编制要求如下。
——序号:应填写案卷的流水顺序号。
——档号、案卷题名、保管期限,填写方法同7.6.2。
——总页数:应填写案卷内全部科研文件材料的页数之和。
——备注:可根据管理需要填写案卷的密级、互见号或存放位置等信息。
——案卷目录式样:应符合 B.4的规定。
7.7 修整
7.7.1 科研文件材料装订前,应对不符合要求的文件材料进行修整。
7.7.2 科研文件材料已破损的,应予以修裱;字迹模糊或易褪变的,应予复制。
7.7.3 科研文件材料应去除易锈蚀、易氧化的金属或塑料装订用品。
7.7.4 对于幅面过大的科研文件材料,应在不影响其日后使用效果的前提下进行折叠。
7.8 装订
7.8.1 案卷内科研文件材料可整卷装订或以件为单位装订。
7.8.2 装订采用线装法、粘接法或封套法等方式,有关操作应符合DA/T 69的规定。
7.8.3 按件装订的,应在每件首页上端的空白位置加盖档号章(式样符合 B.5 的规定)。
7.9 装盒
7.9.1 将整理好的科研文件材料按照顺序装入档案盒,不同分类号的科研文件材料不能装入同一盒。
7.9.2 档案盒的外形尺寸为310mm×220mm (长×宽),盒脊厚度根据需要可设置为20mm、30mm、40mm、50mm 等。档案盒采用220g 以上的单层无酸牛皮纸板双裱压制。
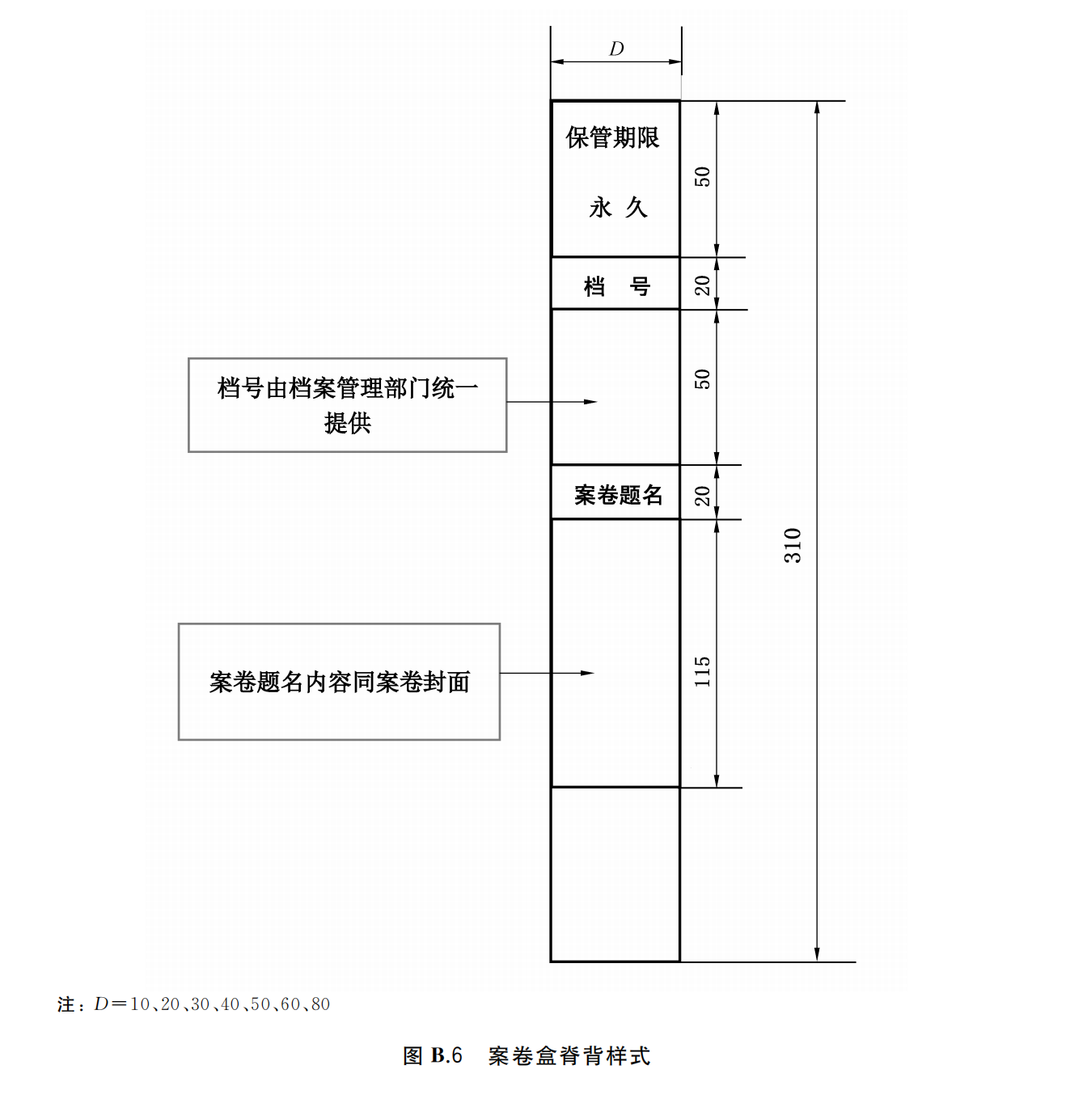
7.9.3 案卷盒脊背印制在卷盒侧面(式样符合B.6 的规定),根据需要选择填写案卷题名、保管期限、档号等,填写方法同7.6.2。
7.10 排架
7.10.1 科研档案上架排列方法应与分类方案一致,尽可能避免频繁倒架。
7.10.2 案卷排架顺序应统一,一般按照从上到下、从左到右的顺序排列。案卷在柜架上保持适宜的饱和度,避免排放过紧或太松。
7.11 科研项目中形成的照片、录音、录像等声像文件材料应按科研阶段整理,并与相应纸质档案建立互见关系。声像文件材料整理按照GB/T11821、DA/T78 的规定执行。实物按件整理,按照DA/T40的规定执行。
8 科研文件材料的归档
8.1 归档时间与交接
8.1.1 科研档案形成部门应将归档科研文件材料在科研项目(科研课题)结题验收后3个月内移交档案部门归档。研究周期长的科研项目可分阶段或按科研课题及时归档移交。奖励申报、推广应用阶段产生的文件材料应在相关工作完成后1个月内完成归档移交。
8.1.2 档案部门应对归档移交的科研档案进行检查,合格后方可接收。双方办理交接手续,填写档案交接登记表(式样符合B.7的规定)。档案交接登记表一式二份,交接双方各一份。
8.2 科研档案的补充、更改
8.2.1 科研项目在成果管理阶段形成的科研文件材料,应及时补充归档。
8.2.2 如有必须更改的科研档案,应由原科研项目负责人填写更改申报单,经科研项目主管部门批准后,方可进行更改。
9 科研档案的保管、统计
9.1 做好档案防火、防盗、防紫外线、防有害生物、防水、防潮、防尘、防高温、防污染等防护工作,定期检查科研档案库房情况,保证库房温度和湿度符合国家要求。
9.2 涉密科研档案保管应符合国家有关保密工作要求。
9.3 单位应按照国家有关规定,定期向档案馆移交科研档案。
9.4 单位应按照 DA/T31 、DA/T62 的规定要求积极开展传统载体科研档案数字化工作,形成科研档案数字化成果。
9.5 单位应结合本单位实际需要,建立科研档案工作统计制度,做好科研档案统计。
9.6 多个单位协作完成的科研项目,由牵头单位保存一套完整档案,参与单位保存本单位承担任务中形成科研文件材料的同时,将副本或复制件送交牵头单位。如确系涉及参与单位的合法权益,应在协议、合同或委托书中明确其科研文件材料的归属、处置、利用等事项。
10 科研档案共享与利用
10.1 档案部门应组织建立科研档案共享与利用机制,制定科研档案共享与利用制度,明确科研档案共享与利用原则、范围、对象、程序要求等,并按要求制定和及时更新科研档案共享目录。
10.2 档案部门可采用线上或线下的方式提供利用科研档案原件或复制件,优先提供科研档案复制件,以保护原件。
10.3 利用科研档案应严格履行审批、登记手续。利用登记信息包括利用人、利用时间、档号、题名、利用目的和方式、经办人、办理时间等。
10.4 借出的科研档案归还时,档案部门应及时清点、检查,并履行归还手续,如发现缺失、损坏等情况,应立即采取措施妥善处理。
10.5 档案部门应对科研档案的利用效果进行登记,填写《科研档案利用效果登记表》(式样符合B.9的规定),注意收集和积累利用科研档案后取得的社会效益和经济效益。
10.6 档案部门可采用编制项目简介、大事记、专题档案汇集,举办展览,拍摄专题片,可视化图谱等对科研档案资源进行开发。
10.7 科研档案共享与利用应严格遵守知识产权、安全保密等有关要求。
11 科研档案的鉴定和处置
11.1 单位应成立由档案部门牵头,科研管理部门、科研承担部门、保密部门、信息技术部门等人员组成的鉴定小组,定期开展到期科研档案的鉴定工作。
11.2 对保管期限已满但仍有保存价值的科研档案,应重新划定保管期限。
11.3 对经鉴定无保存价值的科研档案按照以下程序销毁。
由档案部门编制科研档案销毁清册(式样符合 B.8 的规定),列明拟销毁科研档案的案卷题名、档号、卷数、总页数、起止日期、保管期限及档案形成年度和销毁时间等内容,经单位主要负责人批准后,安排专人运送档案到指定销毁场所销毁,并做好出库信息记录;销毁档案时,档案部门与相关业务部门共同派员监销,按照销毁清册清点核对,确认档案彻底销毁后,在销毁清册上签名、盖章。科研档案销毁清册永久保存。
11.4 应做好科研档案的密级调整变更。
12 科研档案的验收(审查)或绩效评价
12.1 验收管理要求
实行验收(审查)或绩效评价制的科研项目应进行科研档案验收(审查)或绩效评价,对科研档案完 整性、准确性、系统性进行验收(审查)或绩效评价(以下统称验收)。
12.2 验收组织
12.2.1 管理要求科研档案验收可按照分类、分级原则进行组织。
12.2.2 分类原则即按照科研项目的大小(投资规模、项目创新度)、专业类别等采用不同的验收方法。
a) 大型科研活动、产生档案数量多、重大关键技术研究的科研项目应专门召开验收会议进行验收。
b) 小型科研活动、产生档案数量少的科研项目的科研档案验收可采用审查的方法。
12.2.3 分级原则即按照科研项目管理职责组织实施科研档案的验收。
a) 档案部门会同科研项目管理部门对列入科研计划的科研档案进行验收。
b) 科研项目牵头单位负责对本项目的科研档案进行自查,并对参与单位的科研档案进行验收。
c) 科研项目参与单位做好所参与科研项目的科研档案自查工作。
12.3 验收内容
12.3.1 科研档案验收内容主要包括科研档案的完整性、准确性、系统性等。
12.3.2 完整性:参照附录A的内容,查验各阶段科研档案齐全完整性。
12.3.3 准确性:科研档案的内容真实反映科研项目的实际情况和研究过程,图物相符,签章手续完备。
12.3.4 系统性:科研档案分类科学,组卷合理,符合本文件要求。
12.4 验收方式
12.4.1 科研档案验收一般采用会议方式。验收时应根据科研项目规模和档案数量确定验收专家人数,一般为不少于3人的单数。
12.4.2 验收会议议程包括:
a) 项目牵头单位介绍项目研究过程及档案工作情况;
b) 专家现场检查,采取现场质询、抽查案卷等方式对科研档案进行验收;
c) 专家填写验收意见表(式样符合 B.10 的规定),对项目档案总体情况进行评价,提出需要整改的问题;
d) 专家评议验收结果,给予验收结论。
12.5 审查方式
小型科研项目、形成档案数量少的科研档案可采用以审查代验收,至少由1名档案专家对科研档案进行审查后出具审查意见。
12.6 验收审查专家要求
验收审查专家一般宜为具有副高级及以上专业技术职称或相当职务的人员。
13 科研电子文件归档和科研电子档案管理
13.1 科研项目管理系统建设时应充分考虑科研电子文件归档要求,系统实施时应采用符合归档要求 的数据结构和文件格式。
13.2 科研电子档案管理信息系统应具备收集、整理、存储、检索、利用、统计、鉴定、审计、备份、系统管 理等基本功能,与科研项目管理系统、其他相关业务系统等相互衔接,接口具备数据封装、传输、检测、反馈、标记等基本功能。具体宜按照 GB/T29194 和 GB/T 39784执行。
13.3 科研电子文件形成、收集、整理、归档及科研电子档案管理,应确保文件内容及元数据齐全完整,元数据结构、内容宜按照DA/T46 的规定执行。
13.4 科研电子文件归档范围按照6.2的要求执行。
13.5 科研电子文件归档时应同时收集归档元数据。
13.6 科研电子文件归档时间与其他载体文件归档时间相协调,一般不晚于同批次其他载体文件的归档时间。无其他载体的科研电子文件可在办理完毕后实时归档。
13.7 科研电子文件归档格式应符合格式开放、不绑定软硬件、显示一致性、可转换、易于利用等要求。
13.8 科研电子文件归档应基于安全的网络环境或专用离线存储介质,采用在线归档或离线归档方式,通过电子档案管理信息系统或接口进行。
13.9 符合国家有关规定形成或接收和管理的科研电子文件,可仅以电子形式归档保存。
13.10 对接收的科研电子档案应按照DA/T70的有关要求进行真实性、完整性、可用性、安全性检测,检测合格率达到100%。
13.11 科研电子文件整理应按照第7章和GB/T18894 的相关要求进行。
13.12 科研电子档案存储应实施在线存储和离线存储。存储一式三套,至少一套为离线存储,有条件的单位实行异地保管。离线存储载体应具有较好的耐久性,按优先顺序依次为一次性写光盘、磁带、硬磁盘等。离线存储载体管理应按照DA/T15和DA/T 38的有关要求。
13.13 每年应对科研电子档案可读性进行评估,形成评估报告。如存在因系统软硬件或其他技术升级、更新导致科研电子档案不可读取风险的,应对科研电子档案进行迁移。
13.14 应按照第11章的要求对已到保管期限的科研电子档案进行鉴定,经鉴定可以销毁的科研电子档案,通过物理删除的方式进行。
附 录 A
(资料性)
科研项目文件材料归档范围
A.1 基础研究科研项目文件材料归档范围
表 A.1 给出了基础研究科研项目文件材料的归档范围。

A.2 应用研究科研项目文件材料归档范围
表 A.2 给出了应用研究科研项目文件材料的归档范围。

A.3 开发研究科研项目文件材料归档范围
表 A.3给出了开发研究科研项目文件材料的归档范围。

附 录 B
(规范性)
科研档案案卷封面、卷内目录、卷内备考表、案卷目录、档号章、案卷盒脊背、档案交接登记表、 销毁清册、利用效果登记表、档案验收意见表式样
B.1 科研档案案卷封面式样
科研档案整理应编制案卷封面,图B.1给出了案卷封面的式样。

B.2 卷内目录式样
科研档案整理应编制卷内目录,图B.2给出了卷内目录的式样。

B.3 卷内备考表式样
科研档案整理应编制卷内备考表,图B.3给出了卷内备考表的式样。

B.4 案卷目录式样
科研档案整理应编制案卷目录,图B.4给出了案卷目录的式样。

B.5 档号章式样
科研档案按件装订的,应在每件首页上端的空白位置加盖档号章,图B.5给出了档号章的式样。

B.6 案卷盒脊背式样
案卷盒脊背印制在卷盒侧面,根据需要选择填写案卷题名、保管期限、档号等,图B.6 给出了案卷盒脊背的式样。

B.7 档案交接登记表式样
档案部门应对归档移交的科研档案进行检查,双方办理交接手续,填写档案交接登记表,图B.7给出了档案交接登记表的式样。

B.8 科研档案销毁清册式样
经鉴定可以销毁的科研档案应编制科研档案销毁清册,图B.8给出了科研档案销毁清册的式样。

B.9 科研档案利用效果登记表式样
档案部门应对科研档案的利用效果进行登记,填写利用效果登记表,图B.9给出了科研档案利用效果登记表的式样。

B.10 科研档案验收意见表式样
验收现场专家应对项目档案总体情况进行评价,提出需要整改的问题,填写验收意见表,图B.10给出了科研档案验收意见表的式样。



参 考 文 献
CJJ/T 187 建设电子档案元数据标准
[2] DA/T 12 :全宗卷规范
DA/T18 档案著录规则
[4] DA/T 22 归档文件整理规则
[5] DA/T 39 会计档案案卷格式
[6] DA/T 48 基于XML的电子文件封装规范
[7] DA/T 50 数码照片归档与管理规范
[8] DA/T 54 照片类电子档案元数据方案
[9] DA/T 58 电子档案管理基本术语
[10] DA/T 63 录音录像类电子档案元数据方案
[11] DA/T74 电子档案存储用可录类蓝光光盘(BD-R)技术要求和应用规范
[12] DA/T 92 电子档案单套管理一般要求
[13] EJ/T 1224 核电电子文件元数据
[14] 中华人民共和国档案法(中华人民共和国主席令 第 4 7 号)
[15] 科学技术研究档案管理规定(国家档案局科学技术部令 第15号)
[16] 科学数据管理办法(国办发〔2018〕17号)
[17] 国家科技重大专项(民口)档案管理规定(国科发专〔2017〕348号)
[18] 电子档案移交与接收办法(档发〔2012〕7号)